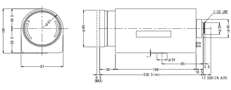
computar10-350mm長焦鏡頭
Computar10-350mm鏡頭是一款30倍的高清電動變倍長焦感紅外鏡頭,型號有H35Z1015DC-MP、H35Z1015PDC-MP,主要應用于森林防火、智能交通、港口油田、商業(yè)場所、視頻監(jiān)控等。
關閉
產品咨詢
客服熱線:0755-22932347

